
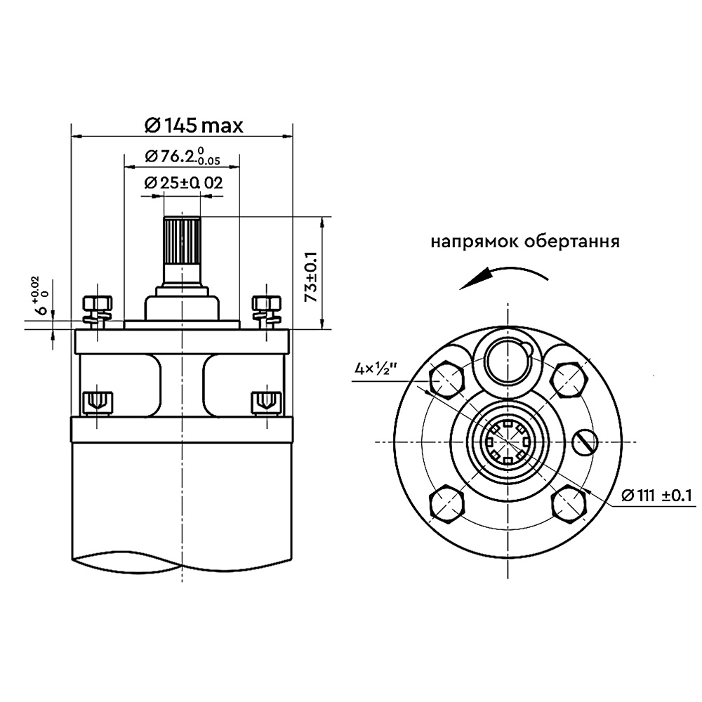
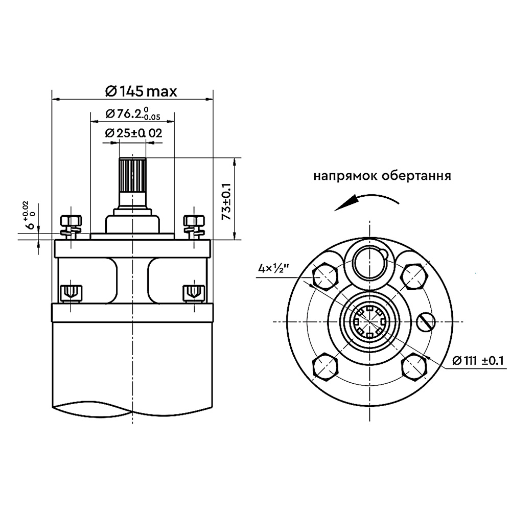
Электродвигатель Dongyin 7.5кВт Ø145 мм для 7776453, 7777043, 7777253
- Модель
- Производитель
- Страна производителя
Китай
- Цвет
Хром
Электродвигатель Dongyin 7.5кВт Ø145 мм для 7776453, 7777043, 7777253 — это мощный и надежный силовой агрегат погружного типа, специально разработанный для комплектации многоступенчатых скважинных насосов. Данная модель обеспечивает стабильную работу насосного оборудования при подъеме воды из глубоких скважин, резервуаров и открытых водоемов. Устройство отличается высокой энергоэффективностью и способностью выдерживать значительные эксплуатационные нагрузки в продолжительном режиме работы. Этот узел является ключевым компонентом системы водоснабжения, отвечая за преобразование электрической энергии в механическую для привода насосной части.
Конструктивные преимущества и материалы
- Корпус: изготовлен из высококачественной нержавеющей стали AISI 304, что гарантирует максимальную защиту от коррозии и агрессивного воздействия водной среды.
- Тип охлаждения: маслонаполненная конструкция обеспечивает эффективный отвод тепла от обмоток статора и надежную смазку подшипниковых узлов.
- Вал: выполнен из нержавеющей стали, что исключает риск заклинивания и продлевает срок службы механизма.
- Механическое уплотнение: графито-керамический узел предотвращает попадание перекачиваемой жидкости внутрь силовой части.
- Совместимость: агрегат идеально подходит для установки на насосные части с артикулами 7776453, 7777043 и 7777253.
Эксплуатационные особенности
Данная модель предназначена для работы в трехфазных электросетях. Благодаря диаметру 145 мм, это оборудование может монтироваться в скважины соответствующего размера. Модель оснащена надежной изоляцией класса F и защитой по стандарту IP68, что позволяет ей постоянно находиться под водой на значительной глубине. Применение качественных комплектующих обеспечивает низкий уровень шума и вибрации во время работы.
Технические характеристики
- Мощность: 7.5 кВт
- Напряжение: 380 В
- Частота сети: 50 Гц
- Количество фаз: трехфазный
- Диаметр двигателя: 145 мм (6")
- Класс защиты: IP68
- Класс изоляции: F
- Максимальная температура жидкости: +35 °С
- Глубина погружения под зеркало воды: до 60 м
- Производитель
Dongyin
- Страна производителя
Китай
- Цвет
Хром
- Мощность, кВт
7.5 кВт
- Напряжение
U 3 ~ 400 ± 10% В
- Количество фаз
- Диаметр насоса
145 мм
По ссылке ниже Вы можете подробно ознакомиться с гарантией, которую предоставляет наш магазин.


















