
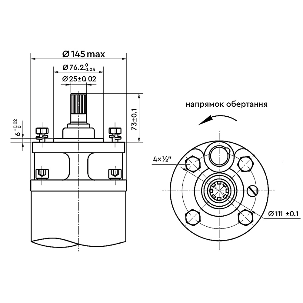
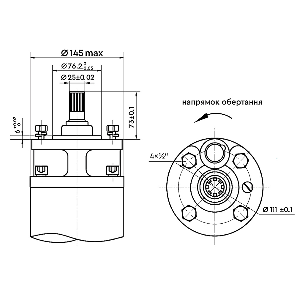
Насос Dongyin відцентровий 380В 30кВт H 224(125) м Q 1300(1000)л/хв Ø145 мм колеса нерж сталь + пульт (з 3х Частин) 6SP60-16
- Модель
- Виробник
- Країна виробника
Китай
- Колір
Хром
Насос Dongyin відцентровий 380В 30кВт H 224(125) м Q 1300(1000)л/хв Ø145 мм колеса нерж сталь + пульт (з 3х Частин) 6SP60-16 — це високопродуктивне промислове насосне обладнання, призначене для перекачування чистої води з глибоких свердловин, резервуарів та відкритих водойм. Дана модель відрізняється винятковою потужністю у 30 кВт і працює від трифазної мережі 380В, що робить її ідеальним вибором для масштабних систем водопостачання, сільськогосподарського зрошення та промислових потреб. Завдяки багатоступеневій відцентровій конструкції, пристрій здатний створювати максимальний напір до 224 метрів (номінальний робочий напір становить 125 метрів). Пропускна здатність агрегату досягає значних 1300 літрів на хвилину (78 кубічних метрів на годину) на максимумі та 1000 л/хв у номінальному режимі роботи. Він має зовнішній діаметр 145 мм, що дозволяє встановлювати його у свердловини діаметром від 160 мм (6 дюймів). Робочі колеса виконані з високоякісної нержавіючої сталі, що гарантує чудову стійкість до зносу, корозії та впливу абразивних частинок у середовищі, що перекачується. Комплект постачання включає надійний пульт керування для захисту та моніторингу роботи двигуна, а сама конструкція постачається з трьох частин для зручності транспортування і монтажу.
Ключові переваги та особливості
- Високоміцні матеріали: робочі колеса, дифузори та корпус виготовлені з нержавіючої сталі, що забезпечує довговічність і гігієнічність води, яка перекачується.
- Потужний електродвигун: трифазний маслонаповнений двигун потужністю 30 кВт гарантує стабільну роботу навіть за умов інтенсивних та тривалих навантажень.
- Видатні гідравлічні характеристики: оптимальне поєднання напору (до 224 м) та продуктивності (до 1300 л/хв) дозволяє вирішувати найскладніші завдання водозабезпечення.
- Комплексний захист: пульт керування, що постачається в комплекті, захищає агрегат від перепадів напруги, короткого замикання та перевантажень по струму.
Сфера застосування
- Промислове водопостачання: забезпечення водою виробничих ліній, заводів та фабрик.
- Аграрний сектор: організація масштабних систем крапельного зрошення та дощування сільськогосподарських угідь.
- Комунальні господарства: подача води у водонапірні вежі, централізовані системи водопостачання котеджних містечок та мікрорайонів.
- Пожежогасіння: використання як основного або резервного джерела в системах протипожежної безпеки.
Технічні умови експлуатації
- Вимоги до рідини, що перекачується: чиста вода без довговолокнистих включень, з мінімальним вмістом твердих домішок.
- Температурний режим: максимальна температура рідини, що перекачується, не повинна перевищувати +35°C.
- Монтаж обладнання: встановлення проводиться суворо у вертикальному положенні з дотриманням мінімальної відстані до дна свердловини для запобігання замулюванню.
- Виробник
Dongyin
- Країна виробника
Китай
- Колір
Хром
- Матеріал корпусу
Нержавіюча сталь
- Потужність
30 кВт
- Тип
Глибинний
- Максимальний напір
224 м
- Максимальна продуктивність, л/хв
1300 л/хв
- Напруга
U 3 ~ 400 ± 10% В
- Кількість фаз
Трифазний
- Діаметр насоса
145 мм
- Тип всмоктування
Відцентровий
За посиланням нижче Ви можете детально ознайомитись з гарантією, яку надає наш магазин.



































