
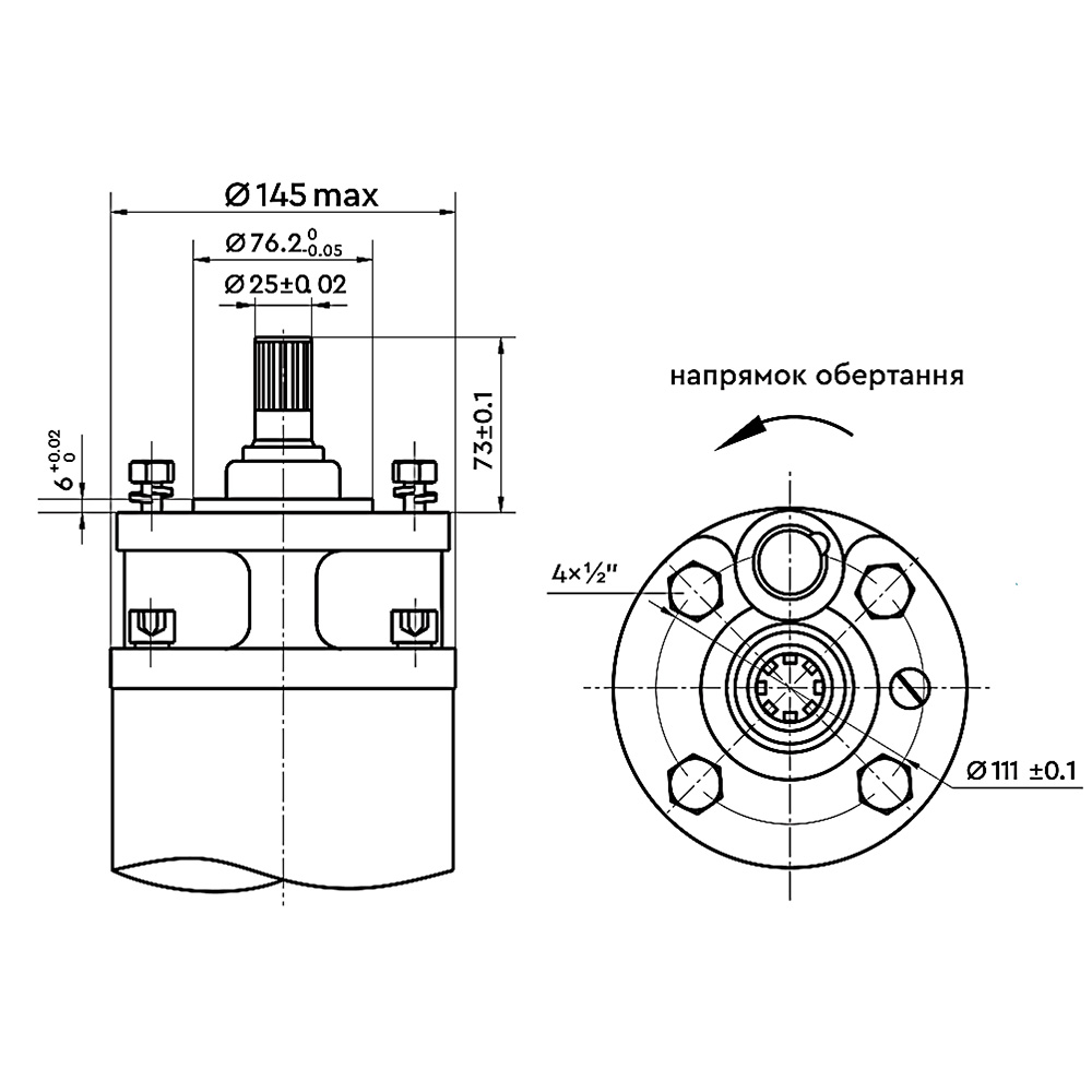
Насос Dongyin відцентровий 380В 18.5кВт H 140(78) м Q 1300(1000)л/хв Ø145 мм колеса нерж сталь + пульт (з 3х Частин) 6SP60-10
- Модель
- Виробник
- Країна виробника
Китай
- Колір
Хром
Насос Dongyin відцентровий 380В 18.5кВт H 140(78) м Q 1300(1000)л/хв Ø145 мм колеса нерж сталь + пульт (з 3х Частин) 6SP60-10 — це високопродуктивне промислове насосне обладнання, призначене для перекачування чистої води з глибоких свердловин, резервуарів та відкритих водойм. Ця модель відзначається винятковою потужністю двигуна у 18.5 кВт, що дозволяє забезпечувати масштабні об'єкти стабільним водопостачанням. Працює агрегат від трифазної мережі 380В, гарантуючи високу енергоефективність при інтенсивних навантаженнях. Максимальний напір сягає 140 метрів, при номінальному робочому показнику 78 метрів, що робить пристрій ідеальним рішенням для глибоководних артезіанських свердловин. Пропускна здатність вражає: максимальна витрата становить 1300 літрів за хвилину, а номінальна — 1000 літрів за хвилину. Корпус помпи та робочі колеса виготовлені з високоякісної нержавіючої сталі, що повністю виключає корозію та значно подовжує експлуатаційний ресурс. Зовнішній діаметр насосної частини дорівнює 145 мм, що відповідає стандарту для шестидюймових свердловин. До комплектації входить надійний пульт керування, що складається з трьох частин, який забезпечує повноцінний захист електродвигуна від перепадів напруги та коротких замикань.
Конструктивні особливості та матеріали
- Робочі колеса: виготовлені з міцної нержавіючої сталі, стійкої до абразивного зношування та впливу домішок у воді.
- Корпус насосної частини: виконаний з товстостінної нержавіючої сталі, що захищає внутрішні вузли від механічних пошкоджень.
- Вал двигуна: вироблений з комбінованого нержавіючого сплаву, що забезпечує точну передачу крутного моменту без деформацій.
- Мідна обмотка статора: гарантує чудову тепловіддачу та стійкість до пікових температурних навантажень при тривалій роботі.
Технічні характеристики гідродинаміки
- Максимальний напір: становить 140 метрів, забезпечуючи подачу води на значні височини та верхні поверхи промислових комплексів.
- Номінальний напір: підтримується на рівні 78 метрів для оптимального співвідношення продуктивності та енергоспоживання.
- Максимальна продуктивність: сягає 1300 літрів за хвилину, задовольняючи потреби великих сільськогосподарських угідь.
- Номінальна витрата: дорівнює 1000 літрам за хвилину, що гарантує стабільний тиск у магістральних трубопроводах.
Електрична частина та керування
- Потужність електродвигуна: становить 18.5 кВт, що відносить цей агрегат до класу важкого професійного обладнання.
- Напруга живлення: вимагає підключення до трифазної мережі 380В для рівномірного розподілу навантаження на фази.
- Пульт керування: постачається в комплекті (з трьох частин), містить магнітний пускач, теплове реле та клемну колодку для безпечної комутації.
- Клас ізоляції та захисту: відповідає суворим промисловим стандартам, запобігаючи потраплянню вологи всередину моторного відсіку.
Сфера застосування обладнання
- Сільське господарство: організація масштабних систем крапельного зрошення та дощувальних установок на полях.
- Промисловість: забезпечення технологічних циклів підприємств безперебійною подачею технічної або питної води.
- Комунальне господарство: водопостачання котеджних містечок, багатоповерхових будівель та віддалених населених пунктів.
- Пожежогасіння: використання як основного або резервного агрегату в системах автоматичного пожежогасіння.
- Виробник
Dongyin
- Країна виробника
Китай
- Колір
Хром
- Матеріал корпусу
Нержавіюча сталь
- Потужність
18.5 кВт
- Тип
Глибинний
- Максимальний напір
140 м
- Максимальна продуктивність, л/хв
1300 л/хв
- Напруга
U 3 ~ 400 ± 10% В
- Кількість фаз
Трифазний
- Діаметр насоса
145 мм
- Тип всмоктування
Відцентровий
За посиланням нижче Ви можете детально ознайомитись з гарантією, яку надає наш магазин.
































